產品

應用領域
道閘/柵欄機/臂式道閘/柱式道閘
產品特點
高效能: 無刷電機采用電子換向方式,相比有刷電機具有更高的工作效率。
長壽命: 由于不存在碳刷和換向器磨損問題,無刷電機通常具有更長的使用壽命。
低維護需求:無刷電機無需定期更換碳刷,減少了維護成本和停機時間。
高性能控制: 無刷電機常與電子控制器配合使用,可精確控制轉速、位置、加速度等參數。
低噪音振動: 無刷電機采用平滑的電子換向且無物理碳刷接觸,運行時更加安靜平穩。
可編程性: 配合先進控制系統,可通過軟件調整和優化無刷減速電機的轉速、扭矩、加速度等參數。
緊湊輕量化: 無刷減速電機的設計使其在同等功率下比有刷電機體積更小、重量更輕。
寬溫工作范圍: 能在較寬的環境溫度范圍內穩定運行,適用于戶外應用場景。
強勁啟動力矩與良好速度穩定性: 提供更大的啟動扭矩,即使在低速狀態下也能保持速度穩定。
節能環保: 無刷減速電機憑借高效率特性,在運行過程中可有效節約能源。
快速響應: 電子控制可實現無刷電機對指令的快速響應需求。
自我保護功能: 多數無刷電機具備過載、過熱等保護功能,可防止電機損壞。
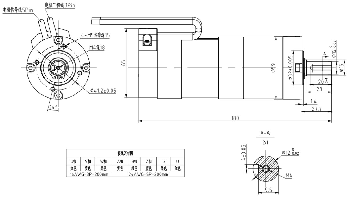
規格參數
| 電機型號 | 額定電壓 (VDC) | 額定電流 (A) | 額定扭矩 (Nm) | 額定轉速 (r/min) | 額定功率 (W) | 防護等級 |
| Y59BL10-2430-J50 | 24 | 6.00 | 18 | 55 | 100 | 65 |


*安博尊重您的保密性并且所有信息都受到保護。